banner
Home Linear Bearings

SBR16 Linear Guide Rail With SBR16UU Slider

SBR16 Linear Guide Rail With SBR16UU Slider

share :
SBR16 linear guide rail
SBR16 linear bearing rail
SBR linear guide rail with slider
SBR16 linear guide bearing
SBR16 bearing guide
SBR series linear guide rail
  • Item No :

    SBR16 linear guide rail
  • Size (d*D*B) :

    16x150mm
  • Material :

    chrome steel with aluminium
  • Lead Time :

    Normally 3-5 days
  • Weight :

    0.55KG
  • Payment Terms :

    100% T/T or 30% T/T in advance ,70% before delivery
  • Shipping Port :

    Guangzhou, Ningbo, Shanghai

SBR16 linear guide rail with SBR16UU slider

 

⚙️SBR16 Linear Guide Rail:

Model meaning: "SBR" indicates the type of the linear guide, and "16" refers to the shaft diameter of the guide being 16mm.

Product material: Usually made of bearing steel or high-carbon steel, with a chrome plating treatment on the surface, it has good rust resistance and wear resistance. Some products are equipped with an aluminum support structure to enhance the stability and rigidity of the guide.

Product features: It has high precision, with precise circular shaft dimensions and high straightness, ensuring the accuracy, repeatability and stability of the movement; the guide surface is smooth, with a low friction coefficient when cooperating with the slider, enabling smooth, low-noise linear movement; installation is convenient, with precise installation holes on the sturdy aluminum base and slider, facilitating reliable installation and connection by users.

Length specifications: There are usually multiple lengths available for selection, including 400mm, 800mm, 1000mm, 1500mm, etc., with the longest reaching up to 6000mm.

SBR16 linear guide rail with SBR16UU slider

 

⚙️SBR16 slider:

Slider model: It is SBR16UU, which is used in conjunction with the SBR16 linear guide rail.

Material: The main body of the slider is generally made of aluminum alloy, and the bearings inside are made of high-quality bearing steel. This combination ensures the lightweight of the slider while also providing high load-bearing capacity and wear resistance.

Structure: There are multiple ball bearings inside, and these ball bearings roll on the guide rail, enabling the slider to move linearly along the guide rail and providing good guidance and stability.

Size: The SBR16UU slider has dimensions (length × width × height) of approximately 45mm × 45mm × 33mm.

Load capacity: The dynamic load of a single slider is approximately 774N, and the static load is approximately 1180N, which can meet the load requirements of various automated equipment and DIY projects.

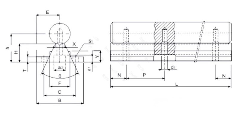
SBR16 linear guide rail drawing

Model No. ID E h B H T F X Y C 0 S1  a1 a2  d1 KG/m
SBR10 10 19 21 32/30 13.5 4 12.4 4.7 8.9 22/20 80° 4.5 S 8.5 4.5 1.1
SBR12 12 17 20.46 34/32 15 4.5 15 6 9.8 25/22 80° 4.5 S 8.5 4.5 1.4
SBR16 16 20 25 40 17.8 5 18.5 8 11.7 30 80° 5.5 6 9.5 5.5 2.56
SBR20 20 22.5 27 45 17.7 5 19 8 10 30 50° 5.5 6.5 11 6.6 3.5
SBR25 25 27.5 33 55 21 6 21.5 8T 12 35 50° 6.6 6.5 11 6.6 5.3
SBR30 30 30 37 60 22.8 7 26.5 10.3 13 40 50° 6.6 8.5 14 9 7.38
SBR35 35 32.5 43 65 26.6 8 28 13 15.5 45 50° 9 8.5 14 9 9.68
SBR40 40 37.5 48 75 29.4 9 38 16 17 55 50° 9 8.5 14 9 12.69
SBR50 50 47.5 62 95 38.8 11 45 20 21 70 50° 11 12.5 19 11 20.46

 

⚙️Product Application:

The SBR16 linear guide rail and slider are widely used in various automated equipment and DIY projects, such as 3D printers, laser engraving machines, CNC numerical control machines, lathes, milling machines, industrial robots, etc. They can also be used in large transmission equipment, providing precise and stable linear motion for these devices.

 
 

⚙️Precautions:

1. Keep clean 2. Use with caution 3. appropriate tool 4. Hot-loading 5. Be careful of rust
Dust will have a bad effect on the bearing, so keep the surrounding clean. Strong impact during use can easily cause scratches and indentations. Avoid replacing existing tools, and use appropriate tools. Bearings are precision parts, so hot installation is recommended. Sweat on your hands during operation will cause rust, so it is best to wear gloves.

 

⚙️Obtain Certificate:

About Rimao
Since its establishment in 2011, Rimao Bearing has combined international vision with local wisdom and injected innovative ideas into every bearing and pulley with its profound industry accumulation and unremitting pursuit of technology. We have not only passed CE and ROHS certification, but also set a new benchmark in the industry and led the development trend of the bearing industry.
 
We are not just a ball bearing and roller bearing importer and wholesaler. We provide real solutions to help you achieve the product and design goals set by your customers. With more than 20 years of production and sales experience, tens of thousands of models and specifications, we look forward to cooperating with you!

 

leave a message
If you are interested in our products and want to know more details, please leave a message here, we will reply you as soon as we can.

Related Products

SFU1204 Ball Screw
SFU Series CNC Machine Parts SFU1204 Ball Screw

SFU1204 is a type of ball screw that is widely used in the field of precision machinery.

Details
Leave A Message
If you are interested in our products and want to know more details, please leave a message here, we will reply you as soon as we can.
submit

leave a message

leave a message
If you are interested in our products and want to know more details, please leave a message here, we will reply you as soon as we can.
submit
Contact Us: admin@rmbearing.com

home

products

WhatsApp

Contact us

Need Help? Chat with us

Start a Conversation

Hi! Click one of our members below to chat on