pillow block bearing is a bearing unit that combines a bearing with a bearing seat. and RAO 1 11-16 is one of the models in its pillow block bearing unit.
Item No :
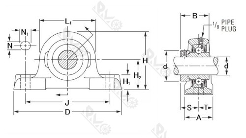
RAO 1 11/16Size (d*D*B) :
42.86x239.71x130.18mm(1.6875x9.4375x5.125inch)Lead Time :
5-7 daysWeight :
5KGShipping Port :
GuangZhou, NingBo, ShangHaiMOQ :
5pcsRAO 1 11/16 Inch Size Pillow Block Bearing
⚙️Structural features:
1. Outer spherical surface design: The outer diameter surface of the outer ring is a spherical shape, which can be fitted into the corresponding concave spherical surface of the bearing housing, achieving the function of automatic centering. It can automatically adjust the alignment of the axis to a certain extent, compensating for the differences in axis alignment between the shaft and the seat hole, as well as problems such as long shaft and large deflection.
2. Bearing housing: The bearing housing that mates with the bearing is made of materials such as bearing steel, and there are different types such as castings and stampings. For example, the cast iron housing has a rigid integral structure and is easy to install.
3. Locking method: It may adopt methods such as those with top screws, those with eccentric sleeves, those with conical holes and locking sleeves, etc., to securely fasten with the shaft. If it is a structure with top screws, there are usually two 120° angle top screws on the inner ring to ensure that the bearing can be easily fastened to the shaft.
4. Sealing device: Various different sealing devices are designed, such as contact-type rubber seals, etc. They can effectively prevent dust from entering, ensure the effective lubrication of lubricating grease between the rolling elements and the raceways, and thereby ensure the reliability and longer service life of the bearing.

1. Load-bearing capacity: It is mainly designed to bear combined radial and axial loads, with radial loads being the main component. It is generally not suitable for bearing axial loads alone.
2. Precision and performance: Since these bearings are mostly used in relatively rough machinery, the installation and positioning are not precise enough, the alignment of the shaft and the bore is poor, and the accuracy of the bearings themselves is not high. Some structures are also relatively rough. Therefore, the actual performance of these bearings is somewhat worse compared to deep groove ball bearings of the same specification.
3. Axial clearance: The size of axial clearance has a significant impact on whether the bearing can operate normally. When the axial clearance is too small, the temperature rise is higher; when the axial clearance is too large, the bearing is prone to damage. Therefore, special attention should be paid to adjusting the axial clearance of the bearing during installation and operation. In necessary cases, pre-press fitting can be used to increase the rigidity of the bearing.

Primarily applicable to scenarios where equipment and components are simple. Widely used in agricultural machinery, transportation systems, construction machinery, cooling tower fans and other equipment. It can also be used in fans and light-load transmission devices, etc.
| 1. Keep clean | 2. Use with caution | 3. appropriate tool | 4. Hot-loading | 5. Be careful of rust |
| Dust will have a bad effect on the bearing, so keep the surrounding clean. | Strong impact during use can easily cause scratches and indentations. | Avoid replacing existing tools, and use appropriate tools. | Bearings are precision parts, so hot installation is recommended. | Sweat on your hands during operation will cause rust, so it is best to wear gloves. |
![]() |
![]() |
![]() |
![]() |
![]() |
![]() |
![]() |
![]() |
![]() |
Hi! Click one of our members below to chat on